你好!欢迎来到5630福彩网官网!
金华洲
19年行业经验,高品质模具钢材专业供应商
全国咨询热线:
400 788 5859
金华洲三大服务承诺,免除您的后顾之忧
当前位置:首页 » 常见问答 » 模具钢的脱碳层深度测定

模具钢的脱碳层深度测定

字号:T|T
文章出处:网责任编辑:作者:人气:-发表时间:2017-09-11 16:49:00

脱碳是指模具钢在加热时表面碳含量降低的现象。

脱碳是扩散的结果:脱碳时一方面是氧向模具钢钢内扩散;另一方面是钢中的碳向外扩散。

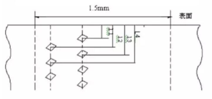
脱碳层深度——从零件表面到碳含量等于基体碳含量的那一点的距离(渗碳轴承钢制的零件除外)。

d1--完全脱碳层深度

d2--有效脱碳层深度

d3--部分脱碳层深度

d4-总脱碳层深度

a--产品标准中规定的碳含量最小值

b--基体碳含量

金相法

金华洲推荐使用金相检验来精确观察试样从表面到基体随着碳含量的变化而产生的组织变化:

1、适合:退火、正火态(P+F组织)

2、试样:检验面垂直零件纵轴,不允倒角、卷边

3、测量:组织变化,表面到与基体组织相同处

4、放大倍数:通常100X,可视情况而定

根据金华洲多年的经验脱碳的组织变化大致有这三种:

亚共析钢:全铁素体——铁素体+珠光体(珠光体量渐增)——基本组织

共析钢:全铁素体——铁素体+珠光体(珠光体量渐增)——珠光体

过共析钢:全铁素体——铁素体+碳化物(碳化物量渐增)——基本组织

案例解析:

成分:C:0.81%;Si:0.18%;Mn:0.33%;

热处理处理工艺:960℃加热2.5h炉冷;

组织说明:珠光体减少区域为部分脱碳;

显微(维氏)硬度法

测量试样横截面上沿垂直于表面方向上的显微硬度值的分布梯度

适合:淬火态钢(脱碳层在淬硬区内);

载荷:0.49~4.9N;

界限硬度:协议规定硬度值、硬度平稳出;

深度:表面测到界限硬度处。

洛氏硬度法

表面洛氏硬度测试;

对不允许有脱碳层的产品,直接测定;

对允许有脱碳层产品,去除后测定;

只用于判断产品是否合格。

测定碳含量法

测定碳含量在垂直于试样表面方向上的分布梯度,可用于钢的任何组织状态

化学分析法:平行于试样表面逐层剥取每层0.1mm厚的试屑,测定试屑的碳含量

光谱分析法:将试样逐层磨剥,每层间隔0.1mm,在每一层上进行碳的光谱测定

脱碳层深度——测量从表面到碳含量达到规定数值的那一点的距离。

金华洲根据多年的热处理经验得出影响模具钢脱碳的因素有三种:

化学成分:

①碳含量越高脱碳倾向越大,

②W、Al、Si、Co等元素增加模具钢的脱碳倾向,

③Cr、Mn等元素能阻止模具钢脱碳;

加热温度:

随着加热温度的提高,脱碳层深度不断增加;

保温时间与加热次数:

保温时间越长,加热次数越多,脱碳层越深;

炉内气氛:

脱碳能力最强的介质是水汽,其次是CO2与O2,最后是H2,

CO和CH4则使模具钢增碳;

排行榜

1S136H塑胶模具钢材
2W.1.2344 VICTORY ESR
3W.1.2316 VICTORY ESR
4SITHERM 2343
5NAK80-高级通用镜面塑料模具钢
6M2高速钢

同类文章排行

最新资讯文章

您的浏览历史

    正在加载...